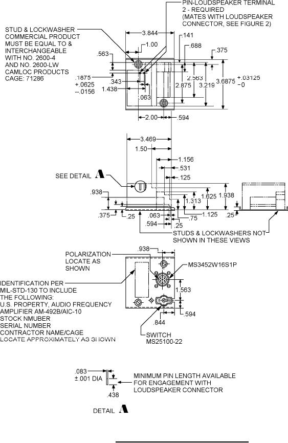
MIL-DTL-9415 Dynamic Loudspeaker Ls-184A/Aic-10This specification covers one type of loudspeaker designated Dynamic Loudspeaker LS-184A/AIC-10. Dynamic Loudspeaker LS-184A/AIC-10 is one item of Intercommunication Set AN/AIC-10A.