
MIL-DTL-9415B
3.5.9 ON-OFF switch. The ON-OFF toggle switch shall be a MS25098-23 switch in accordance with MS25098.
3.5.10 Loudspeaker-amplifier connection terminals. The terminals shall be dimensional and located as shown on
figure 5.
3.6 Explosion. Dynamic Loudspeaker LS-184A/AIC-10 shall not permit ignition of surrounding explosive vapor
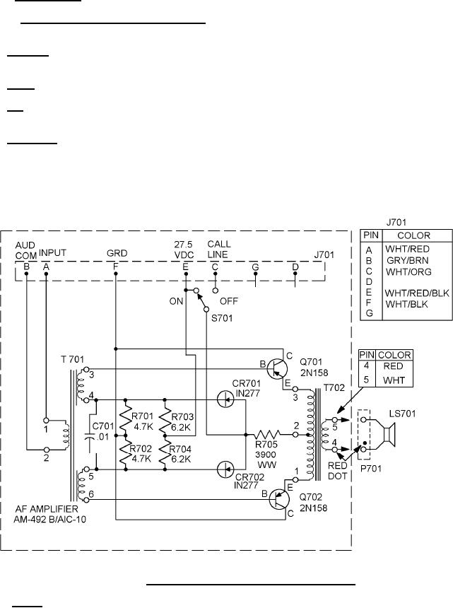
3.7 Wiring. Dynamic Loudspeaker LS-184A/AIC-10 shall be wired as specified on figure 4.
3.8 Life. Dynamic Loudspeaker LS-184A/AIC-10 shall be capable of normal operation for long periods of time
under the varied service conditions of military usage.
3.9 Dimensions. The outline dimensions of the loudspeaker, amplifier, and housing shall be as specified on
figure 2, figure 3 and figure 5. Particular attention shall be paid to those dimensions of the loudspeaker and the
amplifier which control the fitting of the loudspeaker and the amplifier in the housing to insure interchangeability
between component parts procured on the current contract and the component parts in Government stock. Those
dimensions marked MAX on figure 2 and figure 5 shall not be exceeded, and efforts shall be made to reduce those
dimensions as much as practicable.
FIGURE 4. Schematic diagram loudspeaker LS-184A/AIC-10.
3.10 Weight. The weight of the loudspeaker shall not exceed 1 pound 13.50 ounces. The weight of the amplifier
shall not exceed 11.25 ounces. The weight of the housing shall not exceed 11.25 ounces. The weight of the
complete assembly shall not exceed 3.25 pounds.
10
For Parts Inquires call Parts Hangar, Inc (727) 493-0744
© Copyright 2015 Integrated Publishing, Inc.
A Service Disabled Veteran Owned Small Business