
MIL-DTL-55535A
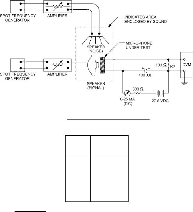
FIGURE 4. Microphone signal to noise ratio test circuit.
TABLE VI. Noise spectrum.
Sound pressure
Frequency
in dB relative to
in Hz
sound pressure
at 130 Hz
40
0
70
0
130
0
300
-5
600
-9
1,000
-13
2,000
-17
3,000
-19
4,000
-21
4.7.3.2 Signal spectrum. By means of the apparatus as set up previously, provision shall also be
made for the production of the following signal spectrum, in table VII at an rms sound pressure of 115 dB
above a reference level of 20 µPa. The "signal" source shall be the driver unit. The calibrating condenser
microphone shall be positioned 0.25 (¼) inch directly in front of the driver unit.
15
For Parts Inquires call Parts Hangar, Inc (727) 493-0744
© Copyright 2015 Integrated Publishing, Inc.
A Service Disabled Veteran Owned Small Business