
INCH-POUND
MIL-PRF-26542/9C
16 July 2002______
SUPERSEDING
MIL-PRF-26542/9B
30 May 1997
PERFORMANCE SPECIFICATION SHEET
MICROPHONE ASSEMBLY AND MICROPHONE, DYNAMIC,
M-133/U AND M26542/9-01
This specification is approved for use by all Departments
and Agencies of the Department of Defense.
The requirements for acquiring the product described herein shall consist of
this specification and MIL-PRF-26542.
Inches
Mm
0.41
0.016
1.57
0.062
2.39
0.094
3.05
0.120
3.18
0.125
3.96
0.156
5.54
0.218
11.10
0.437
11.91
0.469
14.27
0.562
19.05
0.750
20.24
0.797
31.75
1.250
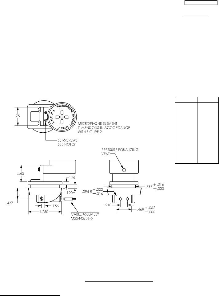
NOTES:
1. Dimensions are in inches. Tolerance is ± .015 inches (0.38 mm), unless otherwise specified.
2. Quantity and configuration of sound apertures is optional.
3. The microphone element shall be marked with the same Part or Identifying Number (PIN) (i.e., M-133/U).
Placement on surface shown is optional. The combined microphone-cable assembly PIN (i.e., M26542/9-01)
shall appear on the packaging for that assembly, in accordance with MIL-STD-129.
4. Set-screws shall secure the element to the bracket securely, of type slotted for consistency with established
US Army field-repair procedures and tooling, and shall be recessed.
FIGURE 1. Microphone assembly, M26542/9-01.
AMSC N/A
1 of 5
FSC 5965
DISTRIBUTION STATEMENT A. Approved for public release; distribution is unlimited.