
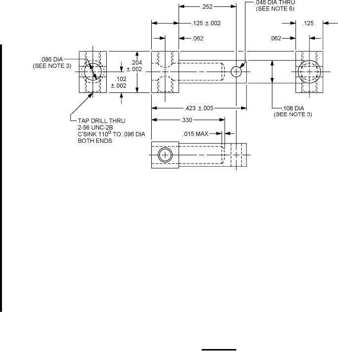
MIL-PRF-26542/7B
Inches
mm
Inches
mm
.002
0.05
.102
2.59
.003
0.08
.108
2.74
.005
0.13
.125
3.18
.015
0.38
.204
5.18
.046
1.17
.252
6.40
.062
1.57
.330
8.38
.086
2.18
.423
10.74
NOTES:
1. Material to be brass in accordance with ASTM B 16, temper H02 (Half Hard).
2. Silver plate finish in accordance with ASTM B 700, Grade A (MAT, without luster).
3. Diameter to be concentric within .005 inch, Total Indicator Reading (T.I.R.).
4. Dimensions are in inches. Unless otherwise specified, tolerances are ± .003 inch.
5. Metric equivalents are given for general information only.
6. Solder point connection design is at the option of manufacturer.
FIGURE 2. Connector.
3
For Parts Inquires call Parts Hangar, Inc (727) 493-0744
© Copyright 2015 Integrated Publishing, Inc.
A Service Disabled Veteran Owned Small Business