
INCH-POUND
MIL-PRF-26542/2E
16 July 2002
SUPERSEDING
MIL-PRF-26542/2D
30 May 1997
PERFORMANCE SPECIFICATION SHEET
MICROPHONE AND MICROPHONE ASSEMBLIES,
M87/AIC, M26542/2-01, M26542/2-02, M26542/2-03, AND M26542/2-04
This specification is approved for use by all Departments
and Agencies of the Department of Defense.
The requirements for acquiring the product described herein shall consist of
this specification and MIL-PRF-26542.
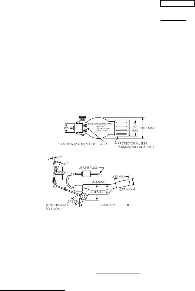
Inches
mm
5.16
.203
.297
7.54
.375
9.53
.495
12.57
.531
13.49
.640
16.26
.734
18.64
.765
19.43
1.000
25.40
2.390
60.71
NOTES:
1. Quantity and configuration of sound ports optional.
2. The microphone element shall be marked with the same Part or Identifying Number (PIN) (i.e.,
*
M87/AIC). Placement on surface shown is optional. The combined microphone-cable assemblies
PIN's (i.e., M26542/2-01, M26542/2-02, M26542/2-03, and M26542/2-04) shall appear on the
packaging for that assembly, in accordance with MIL-STD-129.
3. Dimensions are in inches. Tolerance is ± 0.015 inch (0.38mm), unless otherwise specified.
4. Screws shall hold the element securely, shall be either slotted or Allen type, and shall not protrude
above the surface of the element.
5. Angular requirements of boom shall be met to provide interface to headset, and for adjustability.
FIGURE 1. Microphone assembly.
AMSC N/A
1 of 7
FSC 5965
DISTRIBUTION STATEMENT A. Approved for public release; distribution is unlimited.