
INCH-POUND
MIL-PRF-25670/1B
6 March 2006
SUPERSEDING
MIL-E-25670/1A (USAF)
13 February 1979
PERFORMANCE SPECIFICATION SHEET
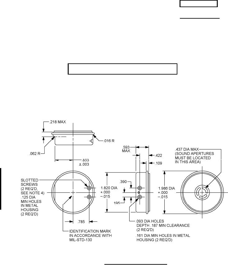
EARPHONE ELEMENT, H-136/AIC
Inactive for new design after December 30, 1996
This specification is approved for use by all
Departments and Agencies of the Department of Defense.
The requirements for acquiring the product described herein shall consist of this specification sheet and
MIL-PRF-25670.
FIGURE 1. Earphone element, H-136/AIC.
AMSC N/A
FSC 5965
For Parts Inquires call Parts Hangar, Inc (727) 493-0744
© Copyright 2015 Integrated Publishing, Inc.
A Service Disabled Veteran Owned Small Business