
MIL-DTL-12606E
Inches
mm
Inches
mm
6.4
.25
.13
.005
7.92
.312
.25
.010
49.61
1.953
.41
.016
60.32
2.375
.8
.03
68.1
2.68
1.52
.060
76.2
3.00
4.57
.180
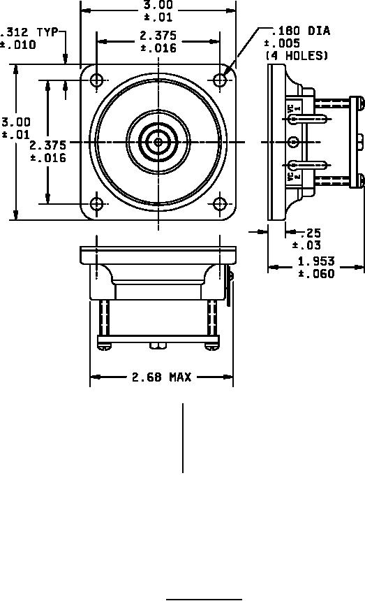
NOTES:
1. Dimensions are in inches.
2. Metric equivalents are given for general information only and are based upon 1 inch = 25.4 mm.
3. Unless otherwise specified, tolerances are xx ± .02 (.5 mm) and xxx ± .005 (.13 mm).
4. Mark terminal board with a red mark near positive terminal.
5. "TYP" is defined in 6.6.
6. Configuration is optional.
FIGURE 2. M12606-01 (see 6.4).
6
For Parts Inquires call Parts Hangar, Inc (727) 493-0744
© Copyright 2015 Integrated Publishing, Inc.
A Service Disabled Veteran Owned Small Business