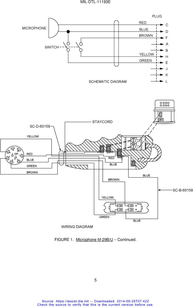
MIL-DTL-11193 Microphone, Carbon \(Microphone M-29\( \)/U And M-52\( \)/U\)This specification covers two types of hand-held, noise-canceling microphone with an impedance of 40 to 100 ohms, designated as Microphone M-29\( \)/U and Microphone M-52\( \)/U \(see 6.3\).