
MIL-DTL-5794C
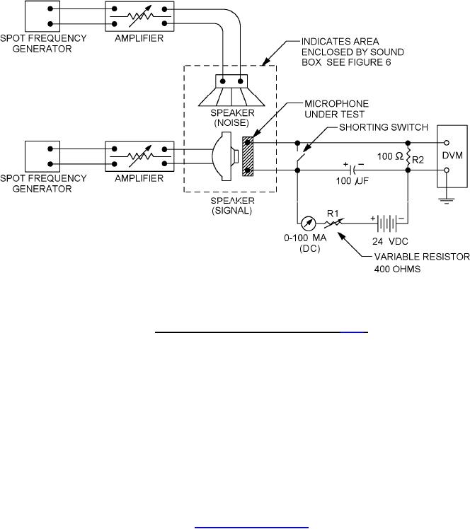
FIGURE 7. Test circuit for signal-to-noise test (see 4.6.4)
CONCLUDING MATERIAL
Custodians:
Preparing activity:
Army CR
DLA - CC
Air Force 11
DLA - CC
( Project 5965-0394-000 )
Review activities:
Army EA, MI
NOTE: The activities listed above were interested in this document as of the date of this document.
Since organizations and responsibilities can change, you should verify the currency of the information
above using the ASSIST Online database at https://assist.daps.dla.mil.
26
For Parts Inquires call Parts Hangar, Inc (727) 493-0744
© Copyright 2015 Integrated Publishing, Inc.
A Service Disabled Veteran Owned Small Business