
MIL-DTL-5794C
Inch
mm
0.015 0.38
0.25
6.35
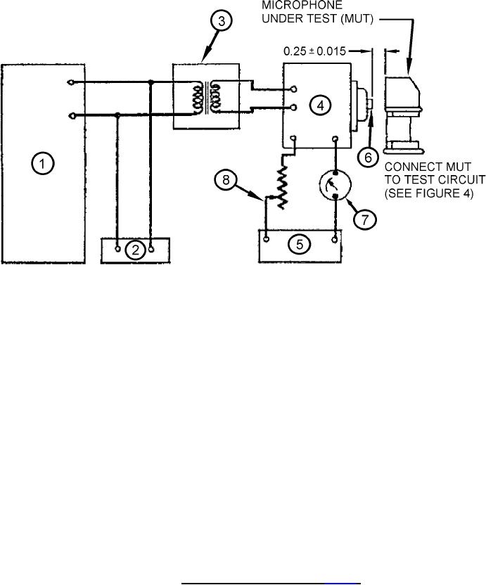
COMPONENTS LIST:
1. Audio oscillator General Radio, type no. 713-B or equal. (connect for 50 OHM output)
2. Output meter General Radio type no. 483-C or equal.
3. Transformer General Radio no. 541-C or equal.
4. Driver unit Western Electric type 555 Receiver, or equal.
5. Storage battery 12 volts.
6. Coupler for Western Electric (no. 555) receiver in accordance with drawing SC-D-10598.
7. Ammeter, 0-2 AMPS, DC
8. Resistor, variable, 0-5 OHMS, 10 WATTS, adjusted to maintain reading of 1.5 AMPS on meter.
NOTES:
1. Dimensions are in inches.
2. Unless otherwise specified, tolerance is ± .010 (0.25 mm).
3. Metric equivalents are given for information only.
FIGURE 5. Sound source calibration (see 4.6.2.2)
24
For Parts Inquires call Parts Hangar, Inc (727) 493-0744
© Copyright 2015 Integrated Publishing, Inc.
A Service Disabled Veteran Owned Small Business