
MIL-DTL-21393B
6.7 Changes from previous issue. Marginal notations are not used in this revision to identify changes
with respect to the previous issue due to the extent of the changes.
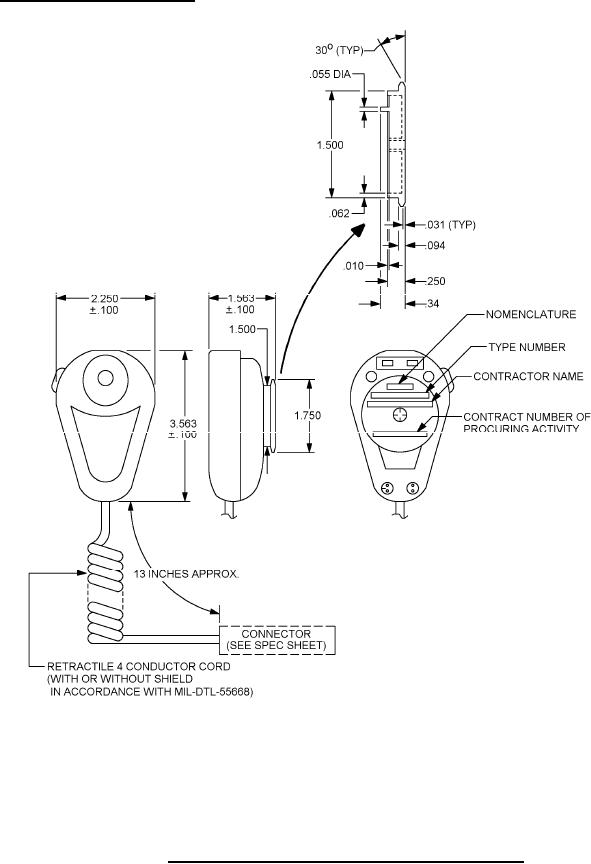
NOTES:
1. Characters shall be .094 inch
high.
2. Characters shall be raised,
except contract number, which
shall be engraved or stamped.
3. All dimensions are in inches,
tolerances ± .016 unless
otherwise noted.
4. Metric equivalents are given for
information only.
Inches
mm
Inches
mm
Inches
mm
.010
0.254
.094
2.388
1.750
44.45
.016
0.406
.250
6.35
2.250
57.15
.031
0.787
.340
8.636
3.563
90.50
.055
1.397
1.500
38.10
13.0
330.20
.062
1.575
1.563
39.70
FIGURE 1. Dynamic microphones: M21393/1-01 or M21393/2-01.
17
For Parts Inquires call Parts Hangar, Inc (727) 493-0744
© Copyright 2015 Integrated Publishing, Inc.
A Service Disabled Veteran Owned Small Business